一品qm楼凤论坛,小红楼论坛网页版进入,栖凤楼论坛官方网站,修车大队楼凤论坛导航

当前位置:首页 > 新闻中心 > 技术资讯

局放仪和电流互感器如何完成接线操作

  局部放电试验装置里除了有局放仪这类主要设备,也许还有电流互感器等相关的设备。那么这些设备如电流互感器和局放仪之间如何接线呢,下面和武汉合众电气一起来看看局放仪和电流互感器如何完成接线操作。

  电流互感器局部放电试验,试验电压由外施电源产生,一般有三种检测方法:

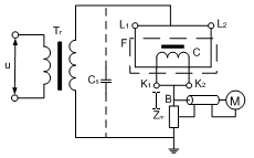
  1)输入单元和互感器串接,以杂散电容Cs取代耦合电容器Ck,其试验接线如图6-5-A所示。试验变压器一般按需要选用单级变压器串接(例如单级电压为60kV的3台变压器串接),其内部放电量应小于规定的允许水平?;ジ衅魅粲刑綜端子引出,则并接在B处。电容式互感器的末屏端子也并接在B处。外壳最好接B,也可直接接地。

  2)当干扰影响测量时,可采用邻近相的互感器或性能相近的互感器连接成平衡回路的接线,如图6-5-B所示,被试互感器施加高压,非被试互感器不施加高压,以降低干扰。此时采用脉冲鉴别系统测试效果更佳。

  3)输入单元和耦合电容器Ck串接,其试验接线如图6-5-C所示。外壳可直接接地。
局放仪电流互感器试验接线
  图6-5-A 电流互感器试验接线

  Tr-试验变压器;C-铁芯;F-外壳
局放仪抑制干扰的平衡法接线
  图6-5-B抑制干扰的平衡法接线

  Cx-被试互感器;Cc-邻近相互感器
局放仪接有耦合电容器Ck的试验接线
  图6-5-C接有耦合电容器Ck的试验接线

  以上是局放仪和电流互感器如何完成接线操作,如果需要局放仪、互感器等,可联系我们。

相关产品推荐

    局放仪,电流互感器 相关产品更新中...