微机继电?;げ馐砸堑闹睾险⒓痰缙餍Q?/span>
微机继电?;げ馐砸堑闹睾险⒓痰缙餍Q椤?br />
(1)方法一:(适用于PC机软件操作)
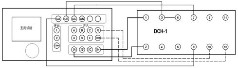
微机继电?;げ馐砸窃谥绷魇匝橹校檬侄匝榉绞剑柚?Ia 为中间继电器保持电流,Uab为 220V(Ua为+110V,Ub为-110V)作电容充电电压,Uc为+110V。按下“确认”,“开始”输出220V 电压。
等待15-25秒重合闸电容充电充满、信号灯亮后,将Uc电压值改为-110V(在输出状态中,鼠标点击Uc数值框,直接输入-110,按回车键),即在第 7 端施加启动电压以启动重合闸,微机继电?;げ馐砸侵睾险⑵舳?,等待重合闸时间到,接点动作,即可测出动作时间。
注意:微机继电保护测试仪若重合闸能充电但不能动作,请检查保持电流是否有输出。在充电期间,电流输出回路是断开的,所以测试仪的电流输出开路指示灯亮。当重合闸动作时,测试仪的电流输出开路指示灯应熄灭。
(1)方法一:(适用于PC机软件操作)
等待15-25秒重合闸电容充电充满、信号灯亮后,将Uc电压值改为-110V(在输出状态中,鼠标点击Uc数值框,直接输入-110,按回车键),即在第 7 端施加启动电压以启动重合闸,微机继电?;げ馐砸侵睾险⑵舳?,等待重合闸时间到,接点动作,即可测出动作时间。
注意:微机继电保护测试仪若重合闸能充电但不能动作,请检查保持电流是否有输出。在充电期间,电流输出回路是断开的,所以测试仪的电流输出开路指示灯亮。当重合闸动作时,测试仪的电流输出开路指示灯应熄灭。
- 上一篇: 智能互感器测试仪的CT参数描述





